Soluciones Multifuncionales o dedicadas para realizar pruebas eléctricas en equipos eléctricos de potencia
Autor: Jose Lopez
17.03.2026En el momento que el despacho de carga, centro de control, entrega un equipo eléctrico de potencia en una subestación, es muy probable que se tenga acceso a otros equipos de la subestación que queden desenergizados y que probablemente sea también oportuno realizar pruebas de mantenimiento.
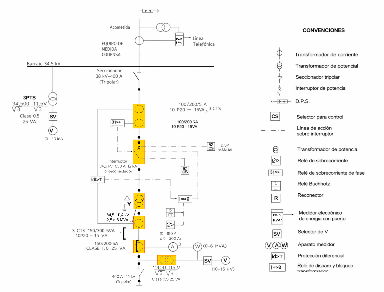
En la Figura 1 se muestra un ejemplo de bahía en la que el despacho de carga o el centro de control ha desenergizado el transformador para realizar pruebas de mantenimiento que se encuentra dentro del plan correspondiente. Se puede observar que al desenergizar el transformador también se desenergizan los transformadores de potencial asociados al lado de baja del transformador, todos los transformadores de corriente de la salida mostrada y el interruptor del lado de alta del transformador. Por tanto, al estar disponibles, si se desea también pudieran ser sometidos a pruebas eléctricas de mantenimiento.
|
|---|
Ejemplo de configuración de subestación en la que la salida de servicio del transformador deja simultáneamente disponibles para ensayo otros equipos asociados de la misma bahía.
Tres configuraciones de equipos de prueba pueden ser utilizadas hoy en día para hacer pruebas de mantenimiento en estos equipos de potencia:
Equipos dedicados
Equipos multifuncionales
Equipos que poseen algunas funciones integradas, mas no todas.
En el caso de que se decida realizar el mantenimiento de todos los equipos disponibles, según el ejemplo citado anteriormente, hace años un compañero de trabajo y mejor amigo realizó un ejercicio PERT/CPM (Program Evaluation and Review Technique / Critical Path Method), para calcular los tiempos de ejecución de pruebas eléctricas de mantenimiento utilizando equipos dedicados y equipos multifuncionales. En este ejemplo se contempla una cuadrilla de trabajo de cuatro personas y no se consideran tiempos de conexión y desconexión de los equipos de potencia (Este tiempo se supone el mismo independiente de la configuración de equipos de prueba que se desee utilizar). El resultado fue que el tiempo que se debería invertir al realizar la prueba con equipos dedicados, resultó ser aproximadamente la mitad del tiempo requerido si se utilizaran equipos multifuncionales, en el escenario analizado. La diferencia observada se explica por la imposibilidad de ejecutar ciertas pruebas en paralelo con una sola plataforma multifuncional, y la razón es muy simple. Al utilizar un equipo multifuncional, no se puede realizar pruebas en otro equipo hasta que no se termine de realizar la prueba en el primero que se seleccionó. Mientras que si utiliza equipos dedicados, puede estar realizando pruebas eléctricas de mantenimiento en al menos dos equipos en forma simultánea, basado en la suposición de que se cuenta con una cuadrilla de trabajo de 4 personas.
Otro punto que puede ser interesante a considerar es que si se utilizan equipos dedicados, y si uno de estos falla, se pueden seguir realizando el resto de las pruebas en los equipos de potencia de la subestación, lo cual daría tiempo de localizar y reemplazar el equipo dañado quizás con poca afectación en el plan de trabajo. En cambio una falla en el equipo multifuncional podría afectar algunas o todas las pruebas a realizar por este equipo.
La forma de equiparar el tiempo de ejecución de las pruebas y una posible falla en el equipo multifuncional, en el ejemplo planteado, es contar con dos equipos de pruebas multifuncionales lo cual permite la posibilidad de intervenir dos equipos en forma simultánea y contar con la disponibilidad de equipos de prueba en caso de falla, pero con una mayor inversión.
Existen fabricantes y/o empresas distribuidoras de equipos de prueba que cuentan con ambas soluciones y será el inversionista, el dueño del activo o usuario quien decida cuál es la más conveniente según sus necesidades.
Conclusión
El análisis anterior muestra que la elección de la configuración de ensayo no depende solo de la capacidad funcional de los equipos, sino también de su impacto sobre la secuencia de trabajo, la posibilidad de ejecutar pruebas en paralelo y la exposición a fallas durante la intervención.
Por lo tanto, en aquellos casos en los que varios equipos queden simultáneamente disponibles para ensayo y se disponga de cuadrillas suficientes, los equipos dedicados pueden ofrecer ventajas operativas frente a una solución multifuncional. En cambio, cuando la frecuencia de uso es menor o existen mayores restricciones presupuestarias, una solución multifuncional puede seguir siendo conveniente.
Declaración de conflictos de interés
Los autores declaran que no existen conflictos de interés en relación con este manuscrito.
